ONKYO C-7000R
¥160,000(2010年12月18日発売)
解説
リファレンスHi-FiシリーズのCDプレイヤー。
音楽CD、CD-R/RW、MP3 CD、WMA CDの再生に対応しています(ファイナライズ済み)。
新開発のDIDRC(Dynamic Intermodulation Distortion Reduction Circuitry)モジュールを採用しています。
この回路は人間の耳に聞こえない超高周波帯域に着目した回路です。超高周波帯域にはクロック信号などのデジタル機器に起因する信号成分が存在します。その帯域で歪が生じるとビート(うなり)と呼ばれる現象が起こり、人が知覚できるノイズが発生してしまいます。
DIDRCではMHz帯までの増幅性能に優れ、1μ秒という瞬時に最高1000Vにまで達する反応速度を併せ持ち、ノイズレベルも人間の聴覚の限界値よりも遥かに低い-140dB以下に抑えられています。
C-7000RではこのDIDRCをI/Vコンバーター回路とバッファ回路に採用しています。
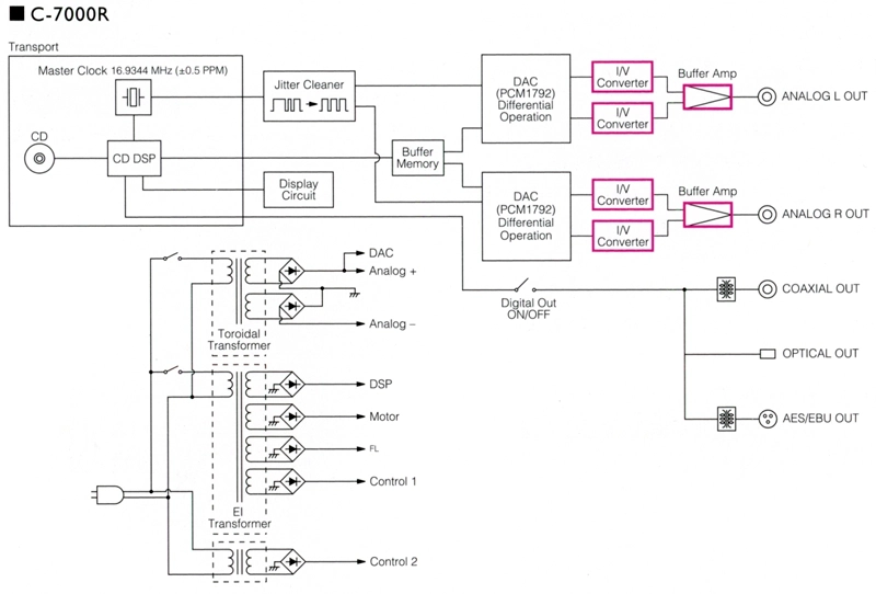
クロックにはスーパープリシジョンクロックを採用しています。
C-7000Rに使用されている最新の水晶発振子は周波数偏差が±1.5ppmと非常に低く、しかも-30℃から+80℃の環境化でも温度変化による偏差を±0.5ppmに抑えており、常に安定した動作を可能にしています。
D/A変換部にはTi社バーブラウン製の192kHz/24bit DACであるPCM1792を左右チャンネルに1個ずつ搭載しています。
PLL方式のウルトラロージッター技術を採用しています。
デジタル信号の入力と出力の位相を比較して正確なクロック波形を作り出す事でジッターを低減しており、デジタル信号処理の精度を高めて音質劣化を防いでいます。
アナログ回路とデジタル回路を物理的に分けるデザインを採用する事で、不要な干渉を排除してノイズを低減しています。
さらに、電源トランスもアナログ回路とデジタル回路に分けた独立構成としており、アナログ回路用にはトロイダル型トランスを、デジタル回路用にEI型トランスを搭載しています。
ディスクドライブ部にはアルミダイキャストトレイを採用するとともに、ドライブ全体をシャーシに固定するのではなく削り出しの真鍮による4本の脚のみで支える仕様としています。これによりスムーズで静かな動作を可能にしています。
セパレートパネル構造を採用しています。
この方式では共振の発生を徹底して抑えるために各面ごとに分割したセパレート構造を採用しています。また、フロント/サイド/トップパネルに制振性に優れたアルミ押出材を使用しています。これにより一体型のシャーシと比べて丈夫な構造を実現し、音へのノイズも抑えています。
さらに筐体全体を支えるボトムシャーシには肉厚なスチール材を使用しており、制振性をさらに高めています。
回路基板の固定にはブリッジマウンティング方式を採用しています。
この方式では、内部の各回路基板はボトムシャーシに固定するのではなく、両サイドパネル間をブリッジする支柱に取り付けています。これにより筐体底面から内部の基板への不要な振動の影響を抑えています。
ピュアアナログモードを搭載しています。
ピュアデジタルモードを搭載しています。
ディスプレイの明るさを調整できるディマー機能を搭載しています。
Normal、Dim、Offの3段階で調整できます。
アンフェノール社製のAES/EBUデジタルバランス出力端子を装備しています。
その他に光と同軸のデジタル出力端子を装備しています。
アナログ出力端子には真鍮削り出しの金メッキ端子を採用しています。
ワイヤレスリモコンが付属しています。
機種の定格
| 型式 | CDプレイヤー |
| 周波数特性 | 2Hz~20kHz |
| 全高調波歪率 | 0.0015% |
| S/N比 | 116dB |
| ダイナミックレンジ | 100dB |
| 出力レベル/インピーダンス | 光:-22.5dBm 同軸:0.5Vp-p/75Ω AES/EBU:3.3Vp-p/110Ω アナログ:2V(rms)/330Ω |
| 消費電力 | 17W |
| 最大外形寸法 | 幅435x高さ99x奥行315.2mm |
| 重量 | 12.0kg |
| 付属 | ワイヤレスリモコン(RC-796C) RCAピンケーブル(0.8m) 電源ケーブル(2m) |
.webp)
.webp)
.webp)
.webp)
.webp)