ONKYO M-5000R
¥260,000(2010年12月18日発売)
解説
リファレンスHi-Fiシリーズのステレオパワーアンプ。
新開発のDIDRC(Dynamic Intermodulation Distortion Reduction Circuitry)モジュールを採用しています。
この回路は人間の耳に聞こえない超高周波帯域に着目した回路です。超高周波帯域にはクロック信号などのデジタル機器に起因する信号成分が存在します。その帯域で歪が生じるとビート(うなり)と呼ばれる現象が起こり、人が知覚できるノイズが発生してしまいます。
DIDRCではMHz帯までの増幅性能に優れ、1μ秒という瞬時に最高1000Vにまで達する反応速度を併せ持ち、ノイズレベルも人間の聴覚の限界値よりも遥かに低い-140dB以下に抑えられています。
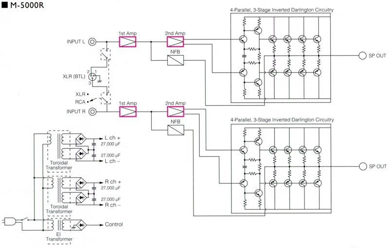
M-5000RではこのDIDRCをアンプ段に採用しています。
パワーアンプ部にはオンキヨー独自のAWRAT(Advanced Wide Range Amplifier Technology)技術を採用しています。
この技術はパワーアンプ回路に対するオンキヨーの設計思想をまとめたもので、複数の技術で成り立っています。
まず、スピーカードライブ能力を向上するため、スペック改善を図るためのNFB回路への依存を最小限に抑え、裸特性の改善に着目した回路を採用しています。また、パワーアンプ回路の全ての回路網を閉ループ化し、個別に電源にリンクさせる事でグランド内で電流が流れることを防止し、グランド電位の変動を大幅に抑え、その影響を低減しています。
アンプが音楽信号を出力する時、スピーカーはアンプの駆動方向とは逆向きのエネルギーを蓄積します。これを取り除くには瞬時に高い電流が供給できる能力(HICC)をアンプ回路に持たせる必要があります。M-5000Rでは150AのHICCを確保して対応しています。
さらに、電源トランスやヒートシンクや基板を左右対称に配置し、電気的/構造的に各チャンネルを等しくする事で信号経路の最適化とチャンネル間の誤差を最小限に抑えています。
クアッドプッシュプル構成の3段インバーテッドダーリントン回路を搭載しています。
各チャンネルに対して4ペアのトランジスタを用いたクアッドプッシュプル構成により、スピーカードライブ能力を向上させています。
電源部には大型トロイダルトランス2個とEiトランス及び27,000μFの電解コンデンサーを4個搭載しています。
トロイダルトランスはアナログ音声信号用に採用しており、EIトランスはメーター及び制御回路用に採用しています。各回路を分ける事で不要な干渉を排除しています。また、伝導性に優れた肉厚の銅バスプレートを採用しています。
RCA入出力端子には真鍮削り出しの金メッキ端子を採用しています。
セパレートパネル構造を採用しています。
この方式では共振の発生を徹底して抑えるために各面ごとに分割したセパレート構造を採用しています。また、フロント/サイド/トップパネルに制振性に優れたアルミ押出材を使用しています。これにより一体型のシャーシと比べて丈夫な構造を実現し、音へのノイズも抑えています。
さらに筐体全体を支えるボトムシャーシには肉厚なスチール材を使用しており、制振性をさらに高めています。
基板の装着にはブリッジマウンティング方式を採用しています。
この方式では一般的なオーディオ機器のようにボトムシャーシに基板を固定するのではなく、両サイドパネル間をブリッジする支柱に取り付けています。これにより筐体底面から基板への不要な振動の影響を低減しています。
大型ピークワットメーターを搭載しています。
XLR端子から入力し、BTL接続によるモノラルパワーアンプとしても使用が可能です。
ワイヤレスリモコンが付属しています。
機種の定格
| 型式 | ステレオパワーアンプ |
| 定格出力 | 2chステレオ: 150W(4Ω、20Hz~20kHz、THD0.08%以下、2ch駆動時、JEITA) 80W(8Ω、20Hz~20kHz、THD0.08%以下、2ch駆動時、JEITA) BTLモノラル: 220W(6Ω、20Hz~20kHz、JEITA) 180W(8Ω、20Hz~20kHz、JEITA) |
| 実用最大出力 | 200W+200W(4Ω、JEITA) |
| 全高調波歪率+ノイズ | 0.02%(20Hz~20kHz、ハーフパワー時) |
| ダンピングファクター | 130(1kHz、8Ω) |
| 入力感度/インピーダンス | RCA:700mV/10kΩ BTL:1.4V/10kΩ |
| 周波数特性 | 10Hz~100kHz +0 -1dB(1W、Line) 1Hz~250kHz +0 -3dB(1W、8Ω) |
| S/N比(IHF-A) | RCA:110dB |
| スピーカー適応インピーダンス | 4Ω~16Ω BTL接続時:6Ω~16Ω |
| 消費電力 | 280W |
| 最大外形寸法 | 幅435x高さ187.5x奥行432.5mm |
| 重量 | 23.5kg |
| 付属 | 電源ケーブル(2.0m) 12Vトリガーケーブル(1.8m) |
.webp)
.webp)
.webp)
.webp)
.webp)
.webp)
.webp)