CORAL 12L-70
¥19,000(1台、1982年頃)
解説
38cmコーン型ウーファー15L-70の特長を受け継いだ30mコーン型ウーファーユニット。
内容積60~100リットルのバスレフ型エンクロージャーに適合しています。
また、パッシブラジエーター12DU-70を併用する事も可能です。
機種の定格
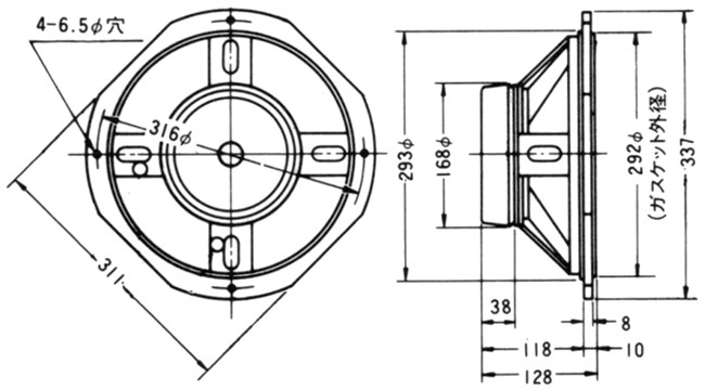
| 型式 | 30cmコーン型ウーファー |
| 再生周波数帯域 | 21Hz~2.5kHz |
| 最低共振周波数(fo) | 21Hz |
| 出力音圧レベル | 94dB/W/m |
| プログラム入力 | 100W |
| インピーダンス | 8Ω |
| 有効振動半径a | 12.8cm |
| 振動系実効質量mo | 62g |
| Qo | 0.25 |
| 磁束密度 | 10,500gauss |
| 総磁束 | 310,000maxwell |
| 重量 | 5.6kg |
.jpg)
.jpg)